In today’s fast-paced manufacturing landscape, efficiency and precision are critical to success. Bus...
Blog
Use this space to tell everyone about what you have to offer.
At Ameritex, we take pride in our ability to engineer custom metal fabrications that meet the unique...
Ameritex Machine & fabrication specializes in the design and fabrication of custom skids (and ot...
Our mission to combine expertise and technology to deliver unmatched precision and quality in every ...
Most believe that excellence is a destination, not a journey. We think the opposite, because we know...
Creating high-quality finished products requires more than precise cutting and forming—it also deman...
For high-precision sheet metal fabrication, choosing the right equipment for each job is essential. ...
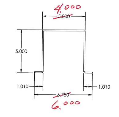
Accurate flat patterns are essential for creating high-quality, reliable sheet metal parts that fit ...
We firmly believe there’s ALWAYS potential to optimize. We’re always looking for ways to improve the...
Ameritex is known for showcasing our large-scale projects like fabricated buildings and custom enclo...










